欢迎光临 : 天丽开关有限公司 官网!
邮箱:tianli@tianli-ele.com 服务热线:400-627-9818

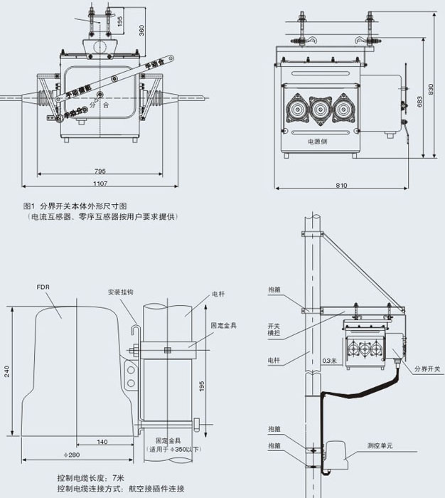
FZW28-12F(FFK)系列用户分界负荷开关是一种功能全新的智能成套设备,俗称“看门狗”,适用于中性点不接地,中性点经电感接地和中性点经小电阻接地12KV,50HZ三相配电网中。
可检测毫安级的线路零序电流及25倍额定值的相间短路电流,测控准确、动作灵敏;同一规格产品可适用于不同中性点接地运行方式的电力配电系统;真空灭弧,SF6外绝缘,内置隔离刀与灭弧室异步联动,开关分合能力强,安全性好;
Latch式弹簧操作机构,拉杆式手动合闸,手动或电动脱扣分闸,操作简洁方便;