欢迎光临 : 天丽开关有限公司 官网!
邮箱:tianli@tianli-ele.com 服务热线:400-627-9818

| [概述] |
|
为了更新我公司现有的配电开关设备,使之实现无油化的高可靠性,根据电力部对电网配电产品向小型化、无油化、低损耗、低噪音、自动化、智能化和高可靠性,方向发展的要求,我公司研制出ZW6-12/630-16空气绝缘式柱上真空断路器,该断路器结构简单、性能可靠、重量轻、无油、无有害气体、技术指标国内领先水平。 |
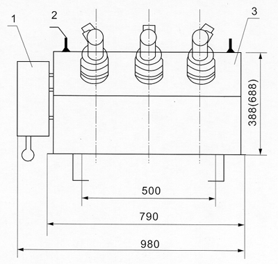
| [外形及安装尺寸] |
|
|
|
1.弹操机构 2.吊环 3.外壳 4.出线座 5.外绝缘套 6.进线座 7.安装槽钢 |